Система сотовой подвижной связи CDMA
В последние годы значительный прогресс в телекоммуникационных технологиях достигнут благодаря переходу на цифровые виды связи, которые, в свою очередь, базируются на стремительном развитии микропроцессоров. Один из ярких примеров этого - появление и быстрое внедрение технологии связи с цифровыми шумоподобными сигналами на основе метода многостанционного доступа с кодовым разделением каналов (CDMA - Code Division Multiple Access), в ближайшие годы нового столетия затмит собой все остальные, вытесняя аналоговые NMT, AMPS и др. и составляя серьезную конкуренцию цифровым технологиям, таким как GSM.
Замечательное свойство цифровой связи с шумоподобными сигналами - защищенность канала связи от перехвата, помех и подслушивания. Именно поэтому данная технология была изначально разработана и использовалась для вооруженных сил США, и лишь недавно американская компания Qualcom на основе этой технологии создала стандарт IS-95 (CDMA one) и передала его для коммерческого использования. Оборудование для этого стандарта уже выпускают шесть компаний: Hughes Network Systems, Motorola и Samsung.
Общая характеристика и принципы функционирования
Принцип работы систем сотовой связи (ССС) с кодовым разделением каналов можно пояснить на следующем примере.
Предположим, что вы сидите в ресторане. За каждым столиком находится два человека. Одна пара разговаривает между собой на английском языке, другая на русском, третья на немецком и т.д. Получается так, что в ресторане все разговаривают в одно и то же время на одном диапазоне частот (речь от 3 кГц до 20 кГц), при этом вы, разговаривая со своим оппонентом, понимаете только его, но слышите всех.
Так же и в стандарте CDMA передаваемая в эфире информация от базовой станции к мобильной или наоборот попадает ко всем абонентам сети, но каждый абонент понимает только ту информацию, которая предназначена для него, т.е. русский понимает только русского, немец только немца, а остальная информация отсеивается. Язык общения в данный момент является кодом. В CDMA это организовано за счет применения кодирования передаваемых данных, если точнее, то за это отвечает блок умножения на функцию Уолша.
В отличие от стандарта GSM, который использует TDMA (Time Division Multiple Access - многостанционный доступ с временным разделением канала, т.е. несколько абонентом могут разговаривать на одной и той же частоте, как и в CDMA, но в отличие от CDMA, в разное время), стандарт IS-95 диапазон частот использует более экономично.
CDMA называют широкополосной системой и сигналы идущие в эфире шумоподобными. Широкополосная - потому, что занимает широкую полосу частот. Шумоподобные сигналы - потому, что когда в эфире на одной частоте, в одно и то же время работают несколько абонентов, сигналы накладываются друг на друга (можно представить шум в ресторане, когда все одновременно говорят). Помехоустойчивая - потому, что при возникновении в широкой полосе частот(1,23 Мгц) сигнала-помехи, узкого диапазона (<150кГц), сигнал примется почти неискаженный. За счет помехоустойчивого кодирования потерянные данные система восстановит, см. рис 1, где показан полезный сигнал и помеха (СЗС - селективная помеха).
 
 
        А в стандарте GSM такое не получится. Из-за того, что GSM изначально сам узкополосный. Ширина полосы, которая используется, равна 200 кГц.
Система CDMA фирмы Qualcom рассчитана на работу в диапазоне частот 800 Мгц. Система CDMA построена по методу прямого расширения спектра частот на основе использования 64 видов последовательностей, сформированных по закону функций Уолша. Для передачи речевых сообщений выбрано речепреобразующее устройство с алгоритмом CELP со скоростью преобразования 8000 бит/с (9600 бит/с в канале). Возможны режимы работы на скоростях 4800, 2400, 1200 бит/с.
В каналах системы CDMA применяется сверточное кодирование со скоростью ? (в каналах от базовой станции) и 1/3 (в каналах от подвижной станции), декодер Витерби с мягким решением, перемежение передаваемых сообщений. Общая полоса канала связи составляет 1,25 Мгц.
Основные характеристики приведены в таблице.
| Диапазон частот передачи MS | 824,040 – 848, 860 Мгц | 
| Диапазон частот передачи BTS | 869,040 – 893,970 мгц | 
| Относительная нестабильность несущей частоты BTS | +/- 5*10^-8 | 
| Относительная нестабильность несущей частоты MS | +/- 2,5*10^-6 | 
| Вид модуляции несущей частоты | QPSK(BTS), O-QPSK(MS) | 
| Ширина спектра излучаемого cигнала: по уровню минус 3 Дб по уровню минус 40 Дб 
 | 
 1,25 Мгц 1,50 Мгц | 
| Тактовая частота ПСП М-функции | 1,2288 Мгц | 
| Количество каналов BTS на 1 несущей частоте | 1 пилот-канал 1 канал синхронизации 7 каналов персонально вызова 55 каналов связи | 
| Количество каналов MS | 1 канал доступа 1 канал связи | 
| Скорость передачи данных: В канале синхронизации В канале перс.вызова и доступа В каналах связи | 
 1200 бит/с 9600, 4800 бит/с 9600, 4800, 2400, 1200 бит/с | 
| Кодирование в каналах передачи BTS | Сверточный код R=1/2, К=9 | 
| Кодирование в каналах передачи MS | Сверточный код R=1/3, K=9 | 
| Требуемое для приема отношение энергии бита информации | 6-7 дБ | 
| Максимальная эффективная излучаемая мощность BTS | 50 Вт | 
| Максимально эффективная излучаемая мощность MS | 6,3 – 1,0 Вт | 
В стандарте используется раздельная обработка отраженных сигналов, приходящих с разными задержками, и последующее их весовое сложение, что значительно снижает отрицательное влияние эффекта многолучевости. При раздельной обработке лучей в каждом канале приема на базовой используется 4 параллельно работающих коррелятора, а на подвижной станции 3 коррелятора. Наличие параллельно работающих корреляторов позволяет осуществить мягкий режим "эстафетной передачи" при переходе из соты в соту.
Мягкий режим "эстафетной передачи" происходит за счет управления подвижной станцией двумя или более базовыми станциями. Транскодер, входящий в состав основного оборудования, проводит оценку качества приема сигналов от двух базовых станций последовательно кадр за кадром. Процесс выбора лучшего кадра приводит к тому, что результирующий сигнал может быть сформирован в процессе непрерывной коммутации и последующего "склеивания" кадров, принимаемых разными базовыми станциями, участвующими в "эстафетной передаче".
Протоколы установления связи в CDMA, так же как в стандартах AMPS основаны на использовании логических каналов.
В CDMA каналы для передачи с базовой станции называются прямыми (Forward), для приема базовой станцией - обратными (Reverse). Структура каналов в CDMA в стандарте IS-95 показана на рис:

Прямые каналы в CDMA:
- Пилотный канал - используется подвижной станцией для начальной синхронизации с сетью и контроля за сигналами базовой станции по времени, частоте и фазе.
- Канал синхронизации - обеспечивает идентификацию базовой станции, уровень излучения пилотного сигнала, а так же фазу псевдослучайной последовательности базовой станции. После завершения указанных этапов синхронизации начинаются процессы установления соединения.
- Канал вызова - используется для вызова подвижной станции. После приема сигнала вызова подвижная станция передает сигнал подтверждения на базовую станцию, после чего по каналу вызова на подвижную станцию передается информация об установлении соединения и назначения канала связи. Канал персонального вызова начинает работать после того, как подвижная станция получит всю системную информацию (частота несущей, тактовая частота, задержка сигнала по каналу синхронизации).
- Канал прямого доступа - предназначен для передачи речевых сообщений и данных, а так же управляющей информации с базовой станции на подвижную.
Обратные каналы в CDMA:
- Канал доступа - обеспечивает связь подвижной станции с базовой станций, когда подвижная станция еще не использует канал трафика. Канал доступа используется для установления вызовов и ответов на сообщения, передаваемые по каналу вызова, команды и запросы на регистрацию в сети. Каналы доступа совмещаются (объединяются) каналами вызова.
- Канал обратного трафика - обеспечивает передачу речевых сообщений и управляющей информации с подвижной станции на базовую станцию.
Структура каналов передачи базовой станции показана на рис:
 
        Каждому логическому каналу назначается свой код Уолша. Всего в одном физическом канале логических каналов может быть 64, т.к. последовательностей Уолша, которым в соответствие ставятся логические каналы, всего 64, каждая из которых имеет длину по 64 бита. Из всех 64 каналов на 1-й канал назначается первый код Уолша (W0) которому соответствует "Пилотный канал", на следующий канал назначается тридцать второй код Уолша (W32), следующим 7-ми каналам так же назначаются свои коды Уолша (W1,W2,W3,W4,W5,W6,W7) которым соответствуют каналы вызова, и оставшиеся 55 каналов предназначены для передачи данных по "Каналу прямого трафика".
При изменении знака бита информационного сообщения фаза используемой последовательности Уолша изменяется на 180 градусов. Так как эти последовательности взаимно ортогональны, то взаимные помехи между каналами передачи одной базовой станции отсутствуют. Помехи по каналам передачи базовой станции создают лишь соседние базовые станции, которые работают в той же полосе радиочастот и используют ту же самую ПСП, но с другим циклическим сдвигом.
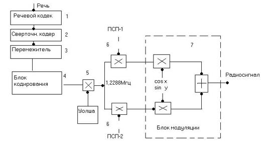
Порядок прохождения речевых данных в мобильной станции до момента отправки в эфир.
Давайте подробней рассмотрим структурную схему обратного канала трафика. В прямом и обратном канале эта схема повторяется; в зависимости от того, какой канал используется в данный момент, некоторые блоки этой схемы исключаются.
 
        - Речевой сигнал поступает на речевой кодек. 
 На этом этапе речевой сигнал оцифровывается и сжимается по алгоритму CELP..
- Далее сигнал поступает на блок помехоустойчивого кодирования, который может исправлять до 3-х ошибок в пакете данных.
-  Далее сигнал поступает в блок перемежения сигнала. 
 Блок предназначен для борьбы с пачками ошибок в эфире. Пачки ошибок - искажение нескольких бит информации подряд.
 Принцип такой. Поток данных записывается в матрицу по строкам. Как только матрица заполнена, начинаем с нее передавать информацию по столбцам. Следовательно, когда в эфире искажаются подряд несколько бит информации, при приеме пачка ошибок, пройдя через обратную матрицу, преобразуется в одиночные ошибки.
- Далее сигнал поступает в блок кодирования (от подслушивания).
 На информацию накладывается маска (последовательность) длиной 42 бита. Эта маска является секретной. При несанкционированном перехвате данных в эфире невозможно декодировать сигнал, не зная маски. Метод перебора всевозможных значений не эффективен т.к. при генерации этой маски, перебирая всевозможные значения, придется генерировать 8.7 триллиона масок длиной 42 бита. Хакер, пользуясь персональным компьютером, пропуская через каждую маску сигнал и преобразовывая его в файл звукового формата, потом, распознавая его на наличие речи, потратит уйму времени.
- Блок перемежения на код Уолша. 
 Цифровой поток данных перемножается на последовательность бит, сгенерированных по функции Уолша.
 На этом этапе кодирования сигнала происходит расширение спектра частот, т.е. каждый бит информации кодируется последовательностью, построенной по функции Уолша, длиной 64 бита. Т.о. скорость потока данных в канале увеличивается в 64 раза. Следовательно, в блоке модуляции сигнала скорость манипуляции сигнала возрастает, отсюда и расширение спектра частот.
 Так же функция Уолша отвечает за отсев ненужной информации от других абонентов. В момент начала сеанса связи абоненту назначается частота, на которой он будет работать и один (из 64 возможных) логический канал, который определяет функция Уолша. В момент принятия сигнал по схеме проходит в обратную сторону. Принятый сигнал умножается на кодовую последовательность Уолша
 По результату умножения вычисляется корреляционный интеграл.
 Если Z пороговая удовлетворяет предельному значению, значит, сигнал наш. Последовательность функции Уолша ортогональны и обладают хорошими корреляционными и автокорреляционными свойствами, поэтому вероятность спутать свой сигнал с чужим равна 0.01 %.
- Блок перемножения сигнала на две М-функции (М1 - длиной 15 бит, 
            М2 - длиной 42 бита) или еще их называют ПСП- псевдослучайными последовательностями. 
            
 Блок предназначен для перемешивания сигнала для блока модуляции. Каждой назначенной частоте назначаются разные М -функции.
- Блок модуляции сигнала.
 В стандарте CDMA используется фазовая модуляция ФМ4, ОФМ4.
В настоящее время оборудование стандарта CDMA является самым новым и самым дорогим, но в то же время самым надежным и самым защищенным. Европейским Сообществом в рамках исследовательской программы RACE разрабатывается проект CODIT по созданию одного из вариантов Универсальной системы подвижной связи (UMTS) на принципе кодового разделения каналов с использованием широкополосных сигналов с прямым расширением спектра (DS-CDMA).
Основным отличием концепции CODIT будет эффективное и гибкое использование частотного ресурса. Как мы раньше пояснили, на широкополосный сигнал CDMA влияние узкополосной помехи практически не сказывается. За счет этого свойства в стандарте CODIT для передачи данных дополнительно будут использоваться защитные интервалы между несущими частотами.
| Дополнительно | 
| 
 | 
 



 
                 
                 
                 
                 
                 
                 
                 
                 
                





 Кузьминов Сергей
Кузьминов Сергей




 
             
             
             
             
            